Sunday, December 29, 2013
cara membuat inverter DC 12v ke AC 220v 500wat.
apakah yang di sebut inverter. inverter adalah sebuah alat electronik yang di rangakai untuk merubah arus dc ke ac.
alat inverter ini berguna untuk menyalakan alat-alat listri yang
membutuhkan tegangan ac 220v dengan batuan aki/accu dc12v. biasa di
gunakan sebagai alat cadangan di saat matilampu.
bagaimanakah untuk membuat inverter DC12v ke AC220v. caranya cukup mudah dan sederhana ikuti panduan cara membuat inveter sederhana ini.
siapkan bahan-bahan untuk membuat inverter dc12v agar menjadi ac220v.
siapkan 1 buah trafo step up 10A CT yang ada 12v nya. lebih kecil gak papa yang bagus yang lebih besar amper nya, sebab akan berpengaruh kekuatan inverter.
siapkan 20 biji transistor dengan seri 3055. pilih yang berbentuk seperti di bawah ini.
siapkan juga sebuah pendingin untuk meredam panas dari transistor. gunakanlah besi arluminiumsebagai peredam panas.
siapakan 1 buah aki/accu 12v.
resistor 2 buah ukuran 10 ohm dan dua buah ukuran 180 0hm.
2 buah kondesator elco ukuran 26uf 25v. dan yang terkhir 2 buah dioda hep 154.
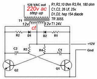
cara merangkai inverter DC12 v ke AC 220v lihat skema inverter di bawah ini.
untuk pemasnagan transistor 3055 di susun secara pararel. Q2. 10biji dan Q1 sepuluh biji. rangkaian seperti ini mampu mengeluarkan tegangan samapai 500wat lebih. mampu menyalakan peralatan listrik di rumah seperti lampu dvd power amplifer dan lain-lain. jika untuk sebuah lampu hemat energi cukup menggunakan 2 buah transistor seperti yang ada di gambar skema sudah cukup kuat untuk menyalakan lampu.sekian wasalam.
bagaimanakah untuk membuat inverter DC12v ke AC220v. caranya cukup mudah dan sederhana ikuti panduan cara membuat inveter sederhana ini.
siapkan bahan-bahan untuk membuat inverter dc12v agar menjadi ac220v.
siapkan 1 buah trafo step up 10A CT yang ada 12v nya. lebih kecil gak papa yang bagus yang lebih besar amper nya, sebab akan berpengaruh kekuatan inverter.
siapkan 20 biji transistor dengan seri 3055. pilih yang berbentuk seperti di bawah ini.
siapkan juga sebuah pendingin untuk meredam panas dari transistor. gunakanlah besi arluminiumsebagai peredam panas.siapakan 1 buah aki/accu 12v.
resistor 2 buah ukuran 10 ohm dan dua buah ukuran 180 0hm.
2 buah kondesator elco ukuran 26uf 25v. dan yang terkhir 2 buah dioda hep 154.
cara merangkai inverter DC12 v ke AC 220v lihat skema inverter di bawah ini.
untuk pemasnagan transistor 3055 di susun secara pararel. Q2. 10biji dan Q1 sepuluh biji. rangkaian seperti ini mampu mengeluarkan tegangan samapai 500wat lebih. mampu menyalakan peralatan listrik di rumah seperti lampu dvd power amplifer dan lain-lain. jika untuk sebuah lampu hemat energi cukup menggunakan 2 buah transistor seperti yang ada di gambar skema sudah cukup kuat untuk menyalakan lampu.sekian wasalam.
Subscribe to:
Comments (Atom)




